1.目的
本ドキュメントは,ロータリエンコーダボード初版(V94−PART−001,V94−PART−002,V94−CARD−x01)、及び2版(V94−PART−003,V94−PART−004,V94−CARD−x02)の使用の際に用いる接続ケーブルの作成法を明らかにする事を目的とする。
2.適用範囲
本ドキュメントは,ロータリエンコーダボード初版(V94−PART−001,V94−PART−002,V94−CARD−x01)、及び2版(V94−PART−003,V94−PART−004,V94−CARD−x02)に対して適用する。
1.ケーブルの外観
I/Oボード(VIPC310)に取り付ける為の50ピンコネクタに、ケーブルをつなげます。I/Oボードのコネクタが50ピンなので、ケーブルのコネクタも50ピンにする必要がありますが、50ピンのうちの必要な信号は、27番ピンから50番ピンまでの24本なので、ケーブルは50芯である必要はありません。27番ピンよりも若いピン番号の所には、ケーブルをつなぐ必要はありません。もしも27番ピンよりも若いピン番号の所にケーブルをつないだ時には、邪魔になるようならコネクタの根元で切ってしまって問題ありません(図1)。
|
2.部品表
| 番号 | 部品名 | 型番 | 数量 | 適用 |
| 1 | 50ピンコネクタ(雌型) | ÌׯŰÌÞÙ用2列 | 1 | CN1 |
| 2 | 5ピンコネクタ(雌型) | 5102−05 | 2 | CN2,CN3 |
| 3 | スイッチ | SS−5GL | 3 | TS1〜TS3 |
| 4 | ケーブル | (50芯) | 適当な長さ |
3.布線表
| 番号 | FROM | TO | 信号名 | 内容 |
| 1 | CN1_39 | TR1_3 | TRs* | 右タッチセンサON信号 |
| 2 | CN1_40 | TR1_1 | GND | GND |
| 3 | CN1_41 | TR1_2 | TRr* | 右タッチセンサOFF信号 |
| 4 | CN1_42 | GND | GND ※1 | |
| 5 | CN1_43 | TR2_3 | TMs* | 中央タッチセンサON信号 |
| 6 | CN1_44 | TR2_1 | GND | GND |
| 7 | CN1_45 | TR2_2 | TMr* | 中央タッチセンサOFF信号 |
| 8 | CN1_46 | GND | GND ※1 | |
| 9 | CN1_47 | TR3_3 | TLs* | 左タッチセンサON信号 |
| 10 | CN1_48 | TR3_1 | GND | GND |
| 11 | CN1_49 | TR3_2 | TLr* | 左タッチセンサOFF信号 |
| 12 | CN1_50 | GND | GND ※1 |
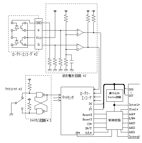
ロータリーエンコーダ、タッチセンサボード(以後RTボードと呼ぶ)は,Industry-Packの形にする。IndustryPackとは、VIPC310に直接載せるもので、RTボード以外には、PIO IP-Dig.48がある。
RTボードは,VIPC310のコネクタJ3とJ5に取り付ける(右図)。J3には Internal Data Bus、Address、制御用信号線、等があり、VIPC310を介してRTボードとVSBC-1(CPU)とのやり取りを行う。J5は直接JAとつながっており、ここからロータリーエンコーダのパルス信号およびタッチセンサスイッチデータを取り込む。


回路構成
タッチセンサ割込み処理
現在検討中
以下に、回路構成を示す。

特殊部品
50ピンコネクタ 173279-3 2個
エンコーダ用カウンタ μPD4701AC 1個
以下に、ロータリ・エンコーダ回路基板の部品実装案を示す。

この図から、IndustryPackの基板上に回路に必要な部品を全て載せることが、可能であるとわかる。
ソフトウェアビジビリティ
Address A8A7A6A5A4A3A2A1A0 | Read / Write | DATA D7 D6 D5 D4 D3 D2 D1 D0 | MEMO |
| 0 x x x x 0 0 0 0 | Read | 2726252423222120 右ロータリ・エンコーダカウンタ下位8ビット | 一定時間毎読む |
| 0 x x x x 0 0 1 0
| Read | SF L R M 2112102928 右ロータリ・エンコーダカウンタ上位4ビット+スイッチデータ
| SF:スイッチフラグ; (SF=L・R・M,active low) L:左スイッチ(active low) R:右スイッチ(active low) M:中央スイッチ(active low) 一定時間毎スイッチ割込み時に読む |
| 0 x x x x 0 1 0 0 | Read | 2726252423222120 左ロータリーエンコーダカウンタ下位8ビット | 一定時間毎読む |
| 0 x x x x 0 1 1 0 | Read | SF L R M 2112102928 左ロータリーエンコーダカウンタ上位4ビット+スイッチデータ | SFスイッチフラグ (SF=L・R・M,active low) L:左スイッチ(active low) R:右スイッチ(active low) M:中央スイッチ(active low) 一定時間毎スイッチ割込み時に読む |
| 0 x x x x 1 0 0 0 | Write | (カウンタリセット) x x x x x x 0 1 右ロータリ・エンコーダカウンタリセット x x x x x x 1 0 左ロータリ・エンコーダカウンタリセット x x x x x x 1 1 左右カウンタ同時リセット | 右カウンタ読み込み後に行う
左カウンタ読み込み後に行う
スタート時に行う |
| 0 x x x x 1 0 1 0 | 書く | (割込みenable) x x x x x x x 0 割込み不可 x x x x x x x 1 割込み許可 |
リセット後に行う |
※アドレスA8より上位桁は、ジャンパ設定。
※ アドレスおよびデータの"x"は、don't care を意味する。