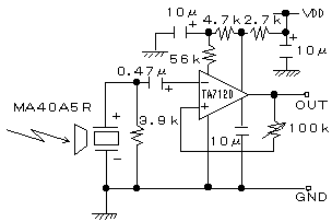
イコライザーアンプ Dイコライザーアンプ



GAIN:50dBなので
50dB=20logG
 G4≒1050/20
   =316.2
したがって入力信号が約316倍となって出力される。

E 微分回路 



電圧のDC分でカットする。
   IN60   :バイパスフィルタ
   C=1000p:パスフィルタ

F コンパレータ



 アナログ量の信号をディジタル化するための回路でスレッショルドレベルを境にして、それ以上ならHighレベル、以下ならLowレベルに2進化している。コンパレータには2つの入力ピンがあって+と−またはREF、INVという記号がついている。
 +(REF)ピンの電圧が−(INV)ピンの電圧より大きければ出力は同極性の方向(Highレベル)に振れ、−ピンの方が+ピンの電圧よりも大きいと出力は逆極性の方向(Lowレベル)に振れる。出力の一部を入力に房し、ポジティブフィードバックを行っている。
 39KΩの抵抗によってヒステリングスをつくっている。10μFのコンデンサはリップノイズをバイパスさせ、電流インピーダンスを下げている。

メインページに戻る