|
初版製作者:宇佐美清章
改訂記録
| 項 番 | 版 数 | 年月日 | 作 成 者 | 改 訂 内 容 |
| 1 | 1版 | 95.3.8 | 宇佐美 | |
| 2 | ||||
| 3 | ||||
| 4 | ||||
| 5 | ||||
| 6 | ||||
| 7 |
はじめに
1.回路詳細
2.部品に関する詳細
3.基板配置
4.基板に関する登録物
![]() |
最大定格(Ta=25)
| 項 目 | 記号 | 定格 | 単位 |
| 直流順電流 | IF | 100 | mA |
| 直流順電流低減率(Ta>25℃) | ΔIF/℃ | -1.33 | mA/℃ |
| パルス順電流 | IFP(注) | 1 | A |
| 直流逆電圧 | VR | 5 | V |
| 許容損失 | PD | 150 | mW |
| 動作温度 | Topr | -20〜75 | ℃ |
| 保温温度 | Tstg | -30〜100 | ℃ |
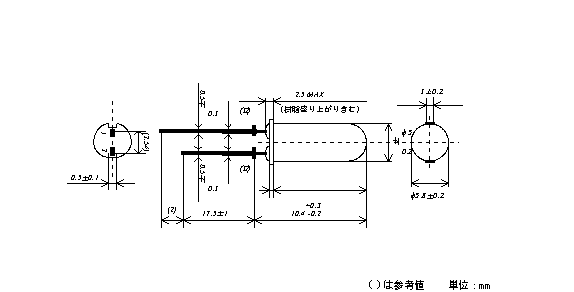
外形

電気的特性(Ta=25℃)
| 項目 | 記号 | 測定条件 | 最小 | 標準 | 最大 | 単位 |
| 順電圧 | VF | IF=100mA | --- | 1.35 | 1.5 | V |
| 逆電流 | IR | VR=5V | --- | --- | 10 | μA |
| 放射強度 | IE | IF=50mA | 12 | 20 | --- | mW/sr |
| 光出力 | PO | IF=50mA | --- | 11 | --- | mW |
| 端子間容量 | CT | VR=0,f=1MHz | --- | 20 | --- | pF |
| ピーク発光波長 | λP | IF=50mA | --- | 950 | --- | nm |
| スペクトル半値幅 | Δλ | IF=50mA | --- | 50 | --- | nm |
| 半値角 | θ1/2 | IF=50mA | --- | ±23.5 | --- | ° |
波長特性(標準値) (IF=50mA,Ta=25℃)

指向特性(標準値)

|
コネクタの品名
MOLEX(5046-04A) : 9.5 × 13.3 (mm)
ピンアサイン
| No. | 信号名 | 方向 | 内容 |
| 1 | SWA | ← | Power Distrubutorへデータを送る。 |
| 2 | SWB | → | |
| 3 | Vsig | ← | 電源+5Vを入力。 |
| 4 | GND | -- |
| 登録物 | 登録先 | ファイル名 | |
| 1 | 勝敗判定装置基板回路図(OrCADファイル) | V94-CARD-208 | JS.1 |
| 2 | 勝敗判定装置基板部品表 | V94-CARD-308 | JSP.SAM |
| 3 | 勝敗判定装置基板パターン図、部品配置図(パターンCADファイル) | V94-CARD-308 | JS.DBH |
| 4 | 作成手順書 | V94-SPEC-016 | JSM.SAM |
| 5 | 検査手順書 | V94-SPEC-017 | JSC.SAM |
| 6 | 取扱説明書 | V94-SPEC-018 | JST.SAM |
| 7 | 特性調査書 | V94-SPEC-019 | JSE.SAM |