
| ロータリ・エンコーダからの信号を取り込み |
| ↓ |
| カウント(カウンタを使用) |
| ↓ |
| カウント値を出力(CPUの要求に順ずる) |
| ロータリ・エンコーダは、a、b2相入力式のものを、2個まで取り付け可能である。 |
| カウンタは、12ビット・バイナリ・アップ・ダウン・カウンタを用いる。 |
| 駆動輪が逆転の時にはカウンタはダウンカウントし、0以下になるとカウント値は2の補数表示となる。 |
| データ出力は、8ビットのパラレルデータを2回に分けて出力する。 |
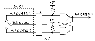
| タッチセンサは、最高3個まで取付可能である。 |
| タッチセンサの割り込み信号は、3つのセンサの入力のORとする。 |