名称 MIRS2501 MVP設計書
番号 MIRS2501-DSGN-0003

版数 最終更新日 作成 承認 改訂記事
A01 2026.1.19 仲下 樟 大沼 巧 初版


本ドキュメントは、MIRS2501、BABLOONプロジェクトのMVP(Minimum Viable Product)設計書である。

1. MVP仕様概要

2. UIと操作フロー

以下に実際に動作する際の操作フローを示す。
状態遷移図を示す。(図1)
図1 状態遷移図

各モードのフローチャートを示す。(図2,3)
図2 左:スタンバイモード 右:巡回モード
図3 風船モード

3. 全体像(概形)


本機体の全体像を図4に示す。
本機体は走行部、制御部、稼働部で構成される。
図4 全体像

4. モジュール分割

BABLOONを構成する各モジュールの配置を以下に示す(図5)。

図5 モジュール分割

5. モジュール説明

モジュール説明は長くなるため次のリンク先に記す。
モジュール説明ドキュメント

6. ソフトモジュール構成

本システムには3台のArduino UNOがある。

Arduino UNO master用ソフトウェアのモジュール構成を表1に示す。

表1 Arduino UNO masterモジュール一覧

ファイル名 説明
mg5_arduino_ver200_master.ino メインプログラムsetup(), loop() を含み、スタンバイ・巡回・風船モードなどのステートマシン(状態遷移)管理を行う中枢ファイル。
define.h 設定定義ファイル。ピン番号の割り当て、制御パラメータ、定数、構造体の定義を集約している。
io.ino 基本入出力制御。操作ボタン、内蔵LED、バッテリー電圧監視などの基本I/O操作を担当。
motor.ino 走行モーター出力。左右のDCモーターへPWMと回転方向信号を出力するドライバ制御関数群。
encorder.ino エンコーダ読み取り。左右のロータリーエンコーダのパルスをカウントする割り込み処理。
vel_ctrl.ino 速度制御 (PID)。エンコーダ値から速度を計算し、目標速度になるようPID制御を行う。
run_ctrl.ino 走行制御 (位置・軌道)。「8m進む」「180度回る」といった目標距離・角度に対する指令値を生成し、直進補正を行う。
sonar.ino 超音波センサ制御。HC-SR04を用いて障害物までの距離(cm)を計測する関数。
master_i2c.ino I2C通信 (送信)。Slave機に対してコマンドや、状態確認リクエストを送る処理。
raspi.ino シリアル通信。PCやRaspberry PiとのUART通信処理。デバッグメッセージの送信やコマンド受信に使用。
test.ino デバッグ・テスト。PIDゲイン調整用のステップ応答データ取得や、単体動作テスト用の関数群。
slave.ino 外部指令受信。PC/RasPiからの直接指令で動くためのモジュール(今回は自律動作メインのため補助的な役割)。

Arduino UNO slave用ソフトウェアのモジュール構成を表2に示す。

表2 Arduino UNO slaveモジュール一覧

ファイル名 説明
mg5_slave_arm_ver100.ino メインプログラム。I2Cコマンドを受信する。
define.h設定定義ファイル。ピン番号の割り当て、制御パラメータ、定数、構造体の定義を集約している。
actuator.ino バルブ制御。バルブ開閉用のDCモーター(エンコーダ付き)を制御するモジュール。ピン変化割り込み(PCINT)を使用。
AngleController.h 角度制御クラス (Header)。バルブ開閉用モーターの角度PID制御を行うためのC++クラス定義。actuator.ino から利用される。
sequences.inoシーケンス実行。ステッピングモーター・サーボ・電磁石を連携させた一連のシーケンス動作(風船処理)を実行する。

シャボン玉用Arduinoのソフトウェアは単一のソースファイルによりコードを記述している。シャボン玉用のArduinoではストック回収の検知とモーターの回収を行っている。

ソースコードはGitHubにアップロードされており、下記リンクから閲覧することができる。

https://github.com/mirs2501/Arduino/

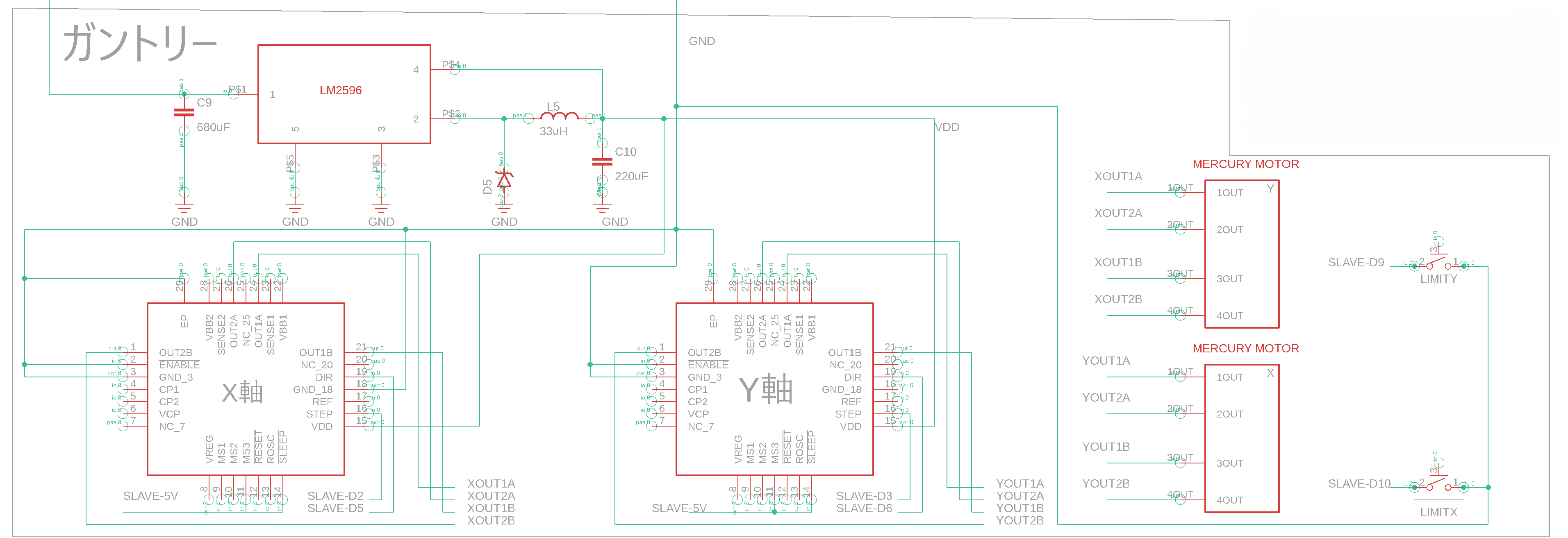
7. 回路構成図

本機体の回路構成を以下に示す。

8. モジュール分担

9. システム構成図

全体のシステム構成を図15に示す。青色は標準機からの流用を、白色は新規設置を示す。

図15 システム構成図

10. 使用物品一覧

BABLOONに使用する物品のリンクを次に示す。 BABLOON使用物品一覧

11. テスト計画とKPI評価

BABLOONの主な機能は風船を膨らませる人が来たら止まる区間巡回の三つであるため実用性を保証する必要がある。評価方法はそれぞれの機能が基準値以上の成功率になること。 実際行うテストは以下のとおりである。

12. スケジュール / マイルストーン

13. 実証実験の結果

実証実験1,2回目の各機能の実装結果を表3に記す。

表3 実証実験結果

機能 実装結果(1回目) 実装結果(2回目)
シャボン玉吹き出し
風船作成
巡回走行

体験者の満足度調査の結果を図16に記す。
図16 満足度調査結果

14. 実証実験を踏まえて

実証実験の結果わかったことを次に記す。

15. 今後の作業と展望




MIRSデータベース