沼津高専 電子制御工学科
MIRS0201 ドーターボード回路図
MIRS0201-ELEC-1103
改訂記録
版数 作成日 作成者 承認 改訂内容
A01 2003.07.08 内海 今村 初版


 

     

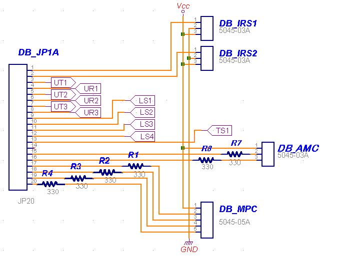
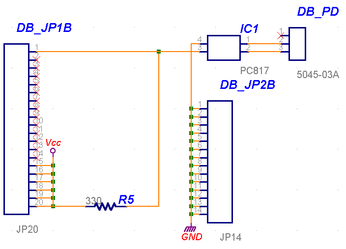
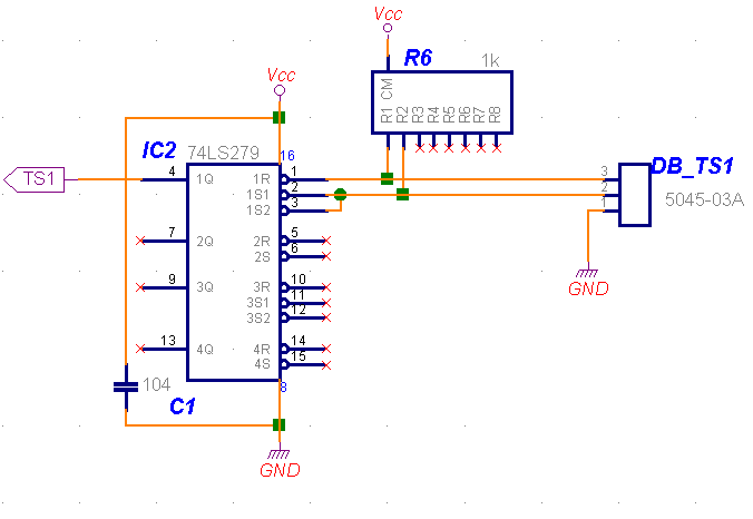
Fig.1 ドーターボード回路図

関連文書