À’Ã‚ê “dŽq§ŒäHŠw‰È
MIRS0105 “dŒ¹ƒ{[ƒhŠî”‰ñ˜H}
MIRS0105-ELEC-1503
‰ü’ù‹L˜^
”Å”
쬓ú
쬎Ò
³”F
‰ü’ù“à—e
A01
2001.11.13
ˆV
’†àV
‰”Å
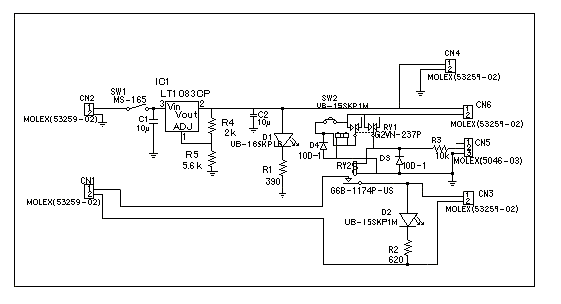
Fig.1 “dŒ¹ƒ{[ƒh‰ñ˜H} (den-kai.gif)
ŠÖ˜A•¶‘
MIRS0105 “dŒ¹ƒ{[ƒh»‘¢Žd—l‘(
MIRS0105-ELEC-1501
)
MIRS0105 “dŒ¹ƒ{[ƒhŽæˆµà–¾‘(
MIRS0105-ELEC-1502
)
MIRS0105 “dŒ¹ƒ{[ƒhPCB»‘¢Žd—l‘(
MIRS0105-ELEC-1504
)
MIRS0105 “dŒ¹ƒ{[ƒhŽŽŒ±Žd—l‘(
MIRS0105-ELEC-1505
)