沼津高専 電子制御工学科
MIRS0002 ドーターボード回路図
MIRS0002-ELEC-0004
改訂記録
版数 作成日 作成者 承認 改訂内容
A01 2001.8.27 赤池 野崎 初版
A02 2001.10.30 赤池 野崎 回路図の訂正


 

     

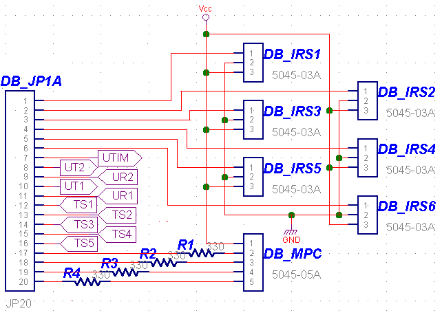
Fig.1 ドーターボード回路図

関連文書