3.詳細検討


(1)前提条件
(2)カウンタ回路の検討
(3)送受信回路の概要
(4)ブロック図
(5)回路図
  @ フォトダイオード
  A 振動数の決定
  B パルスと振動数波の合計
  C 信号増幅部
  D イコライザーアンプ
  E 微分回路
  F コンパレータ
  G 時間パルス


(1) 前提条件

  1. 超音波センサ回路(送受信回路)は 3 セットである。
  2. PC から 20 [ms] 周期のパルスを出力する。
図11 パルス     
図11 パルス


(2) カウンタ回路の検討

  1. カウントの手段

     カウントは PC が出力周期 20 [ms] のパルス信号をトリガとしてカウントを開始する。当然受信信号が 16 [ms] 以上のものは受信できない。従って測定は 16 [ms] で打ち切ることになる。測定を 16 [ms] で打ち切っても、音速は 346 [m/s] だから、超音波は 5.5 [m] 進む。測定は返ってきた反射波だから 5.5 /  2 = 2.75 [m] まで測定できる。これは競技場内の最大の長さを上回っているので大丈夫である。

  2. カウンタの選択

     超音波の波長は 8.6 [mm] であるから約 1 [cm] の精度以上での測定はできない。超音波の速度は 3460 [cm/s] であるから 1 [cm] を進むのに約 30 [us] かかる。超音波測定は超音波が行って返ってきたものを検出するのだから、1 [cm] の測定をするのにカウンタは 1 カウント 2 [cm] であればよい。よって測定パルスは 60 [us] の周期にする。
     測定時間は 16 [ms] で打ち切りなので 16 [ms] / 10 [us] = 266.6 となり、従って 267 カウント前後のカウンタを必要とする。
     8bit カウンタは 256 カウントでほぼよい数である。よって 8bit カウンタを使用する 。


(3) 送受信回路の概要

 (1)送信について

  超音波は 40KHz の周波数で発信される。超音波センサは送信信号によって制御され、超音波送信と同時にカウンタはカウントを始める。

 (2)受信について

  物体に当たり反射した超音波を受信して測定を行う。カウントの打ち切りは、前縁微分回路からの受信信号を受けたときあるいは後で述べる時間以内に信号が入ってこなかったときである。測定方法はブロック図を参照のこと。

  測定で注意しなければならないのは、超音波が直接送信機から回り込んでくることである。つまり、超音波を発信してからある時間は受信機が受け付けないようにしなければならない。

  そこで、超音波を発信してから受信するまでの時間を T [s] 、物体までの距離を r [m] 、音速を c [m/s] として計算すると、

(式)

T = 2r ÷ c [s] (*)  where c = 343 [m/s]

 また、このときの r の最小値を 20 [cm] 、最大値は 2 [m] とすると、

  (式)

Tmin = 1.16 [msec] 、Tmax = 11.6 [msec]

 となるので、測定は 1.16 [msec] から 11.6 [msec] までの間だけ測定すればよいことがわかる。

  その他に、カウンタ回路によってタイミングパルス(出力周期 20 [ms] 、パルス幅 4 [ms] )が発信されているが、そのときの受信信号が 16 [ms] 以下という条件を満たしているのでこのことは考える必要がない。

 また、距離を測る際に1パルスを 1 [cm] として数えるためのクロックの周波数は先ほどの式(*)を用いて1 [m] 測定したとき誤差を 1 [cm] 以内に収めるには、

  (式)

s = 2 r÷c = 2 * 1 [mm] ÷ 344 [m/s] = 2.91 [μs]

 つまり、使用する周波数は 170.20 [KHz] となる。


  • ブロック図
    図12 ブロック図 1    
    図12−1 ブロック図 1

    図12 ブロック図 2    
    図12−2 ブロック図 2


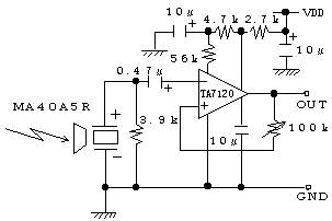
  • 回路図

     @ フォトダイオード

     光エネルギーを電気エネルギーに変換するフォトダイオードは半導体の PN 接合部に光が当たると電位差が生じる。光源電力効果を利用した光検出器(フォトセンサ)である。

    図13 回路図1     

     A 振動数の決定

    図14 回路図2     

      値を代入して
    図15 式     

     R1 が可変抵抗になっているので微調整を行い、40 [KHz] に合わせる。

     B パルスと振動数波との合成

    図16 パルスと振動数波との合成     

     C 信号増幅部

    図17 信号増幅部     

     D イコライザーアンプ

    図18 イコライザーアンプ     

     E 微分回路

    図19 微分回路     

      電圧のDC分でカットする。

     F コンパレータ

    図20 コンパレータ     

     アナログ量の信号をディジタル化するための回路でスレッショルドレベルを境にして、それ以上なら High レベル、以下なら Low レベルに 2 進化している。コンパレータには 2 つの入力ピンがあって+と−または REF 、INV という記号がついている。
     + (REF) ピンの電圧が− (INV) ピンの電圧より大きければ出力は同極性の方向 ( High レベル ) に振れ、−ピンの方が+ピンの電圧よりも大きいと出力は逆極性の方向 ( Low レベル ) に振れる。出力の一部を入力に房し、ポジティブフィードバックを行っている。
     39 [KΩ] の抵抗によってヒステリングスをつくっている。10 [μF] のコンデンサはリップノイズをバイパスさせ、電流インピーダンスを下げている。

     G 時間パルス

    図21 時間パルス     


    TOP PAGEに戻る!!    選択画面に戻る!!