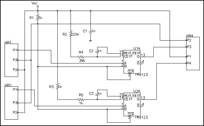
赤外線センサ周辺回路の回路図








← BACK 赤外線センサ

Last Update : 1998/06/27 Written by Y.Fukasawa.