I/O Subボード 拡張 Ver. の検査


2 導通チェック

用意するもの
基板、テスター、はんだごて、はんだ、はんだ吸い取り器
  1. 回路図を見て、各部品につながるべき線がつながっているかをテスターで調べる。なるべくはんだにテスターをあてず、部品の足にあてるようにすること。また、つながっていないことを調べる非導通チェックも行う。回路が動作しないのは、ほとんどが、ここのミスなので、よく調べること。ICのVccとGNDに注意。
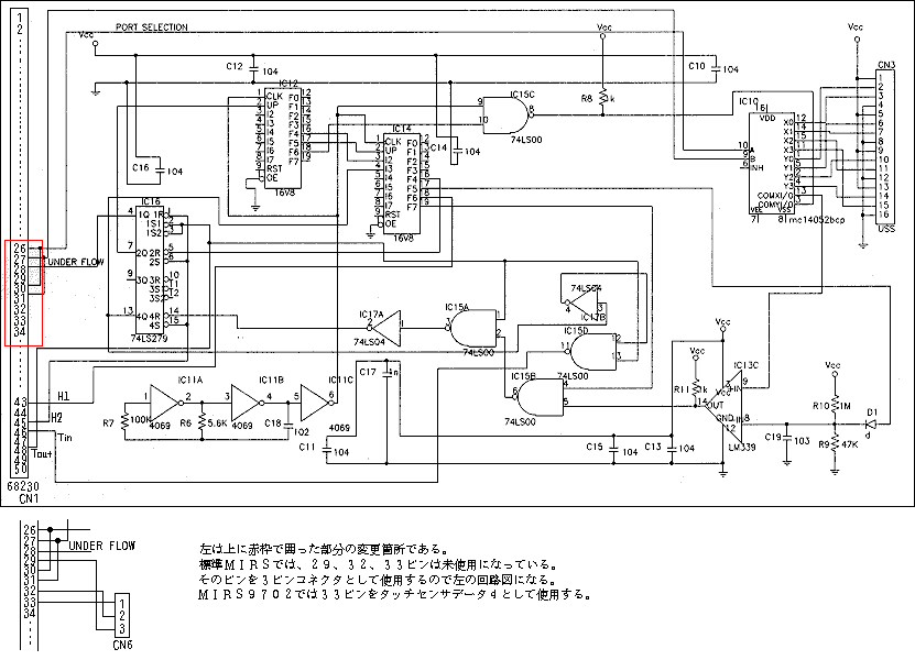
    超音波センサ回路の回路図及び拡張用コネクタ回路図


    PWM回路の回路図


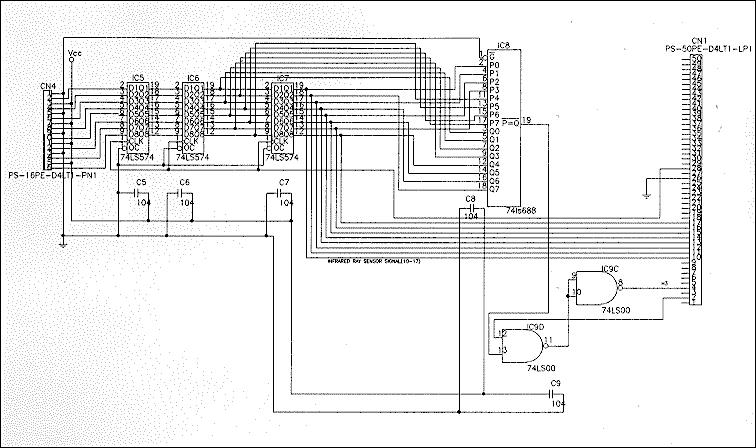
    赤外線センサ回路の回路図


・導通すべきところが導通してなかったらつなげる
・導通すべきでないところが導通していたらはなす

Last Update : 1999/01/13 Written by Y.Fukasawa.