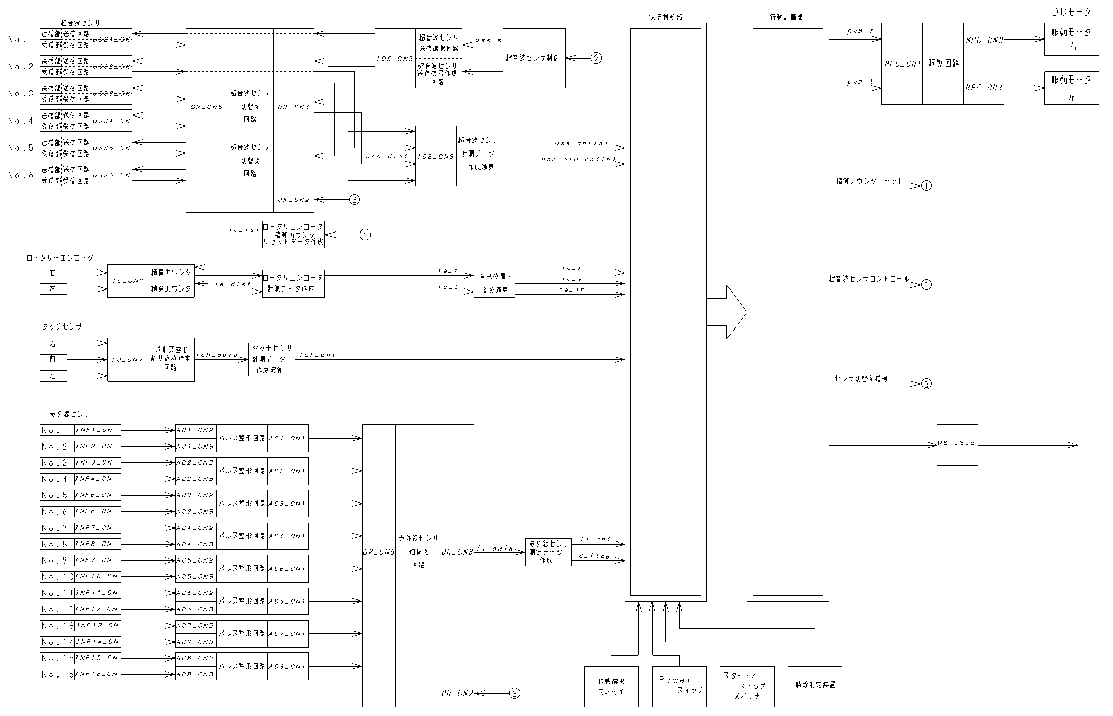
1.SFD(System Functional Diagram)