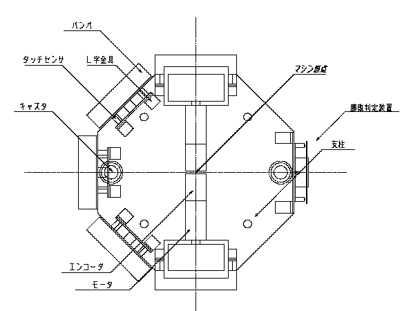
マシン原点




Drawn by Yusaku Ohba
←BACK
Last Update : 1998/06/19 Written by T.Yamada. Y.Ohba.