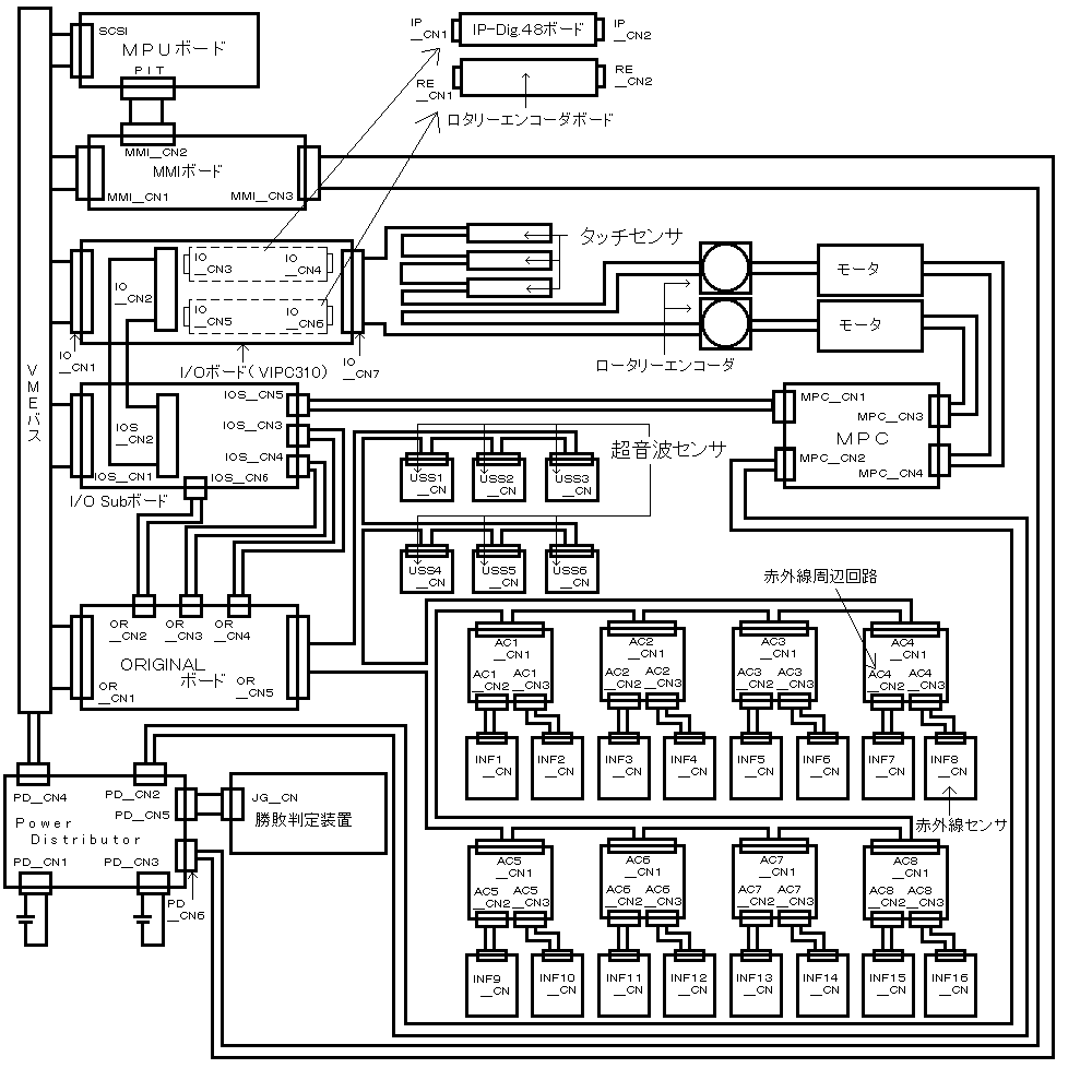
1.1 エレクトロニクス部ボード構成


ボード構成図




Drawn by : K.Teranishi.

← BACK 目次

Last Update : 1998/05/20 Written by Y.Fukasawa.