
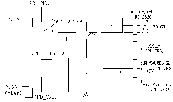
1から3の回路の説明

コネクタの品名
CN1:MOLEX(53259-0220): 9.1 × 14.2 (mm)
CN2:MOLEX(53259-0220): 9.1 × 14.2 (mm)
CN3:MOLEX(53259-0220): 9.1 × 14.2 (mm)
CN4:MOLEX(53259-0420):16.1 × 14.2 (mm)
CN5:MOLEX(5046-04A) : 9.5 × 13.3 (mm)
CN6:MOLEX(5046-03A) : 7.0 × 13.3 (mm)
| No. | 信号名 | 方向 | 内容 |
| 1 | Vin | ← | +7.2Vの電源(バッテリー)を入力する。 |
| 2 | GND | -- |
| No. | 信号名 | 方向 | 内容 |
| 1 | Vout | → | +7.2Vの電圧を持つ電力(モータ用)を供給する。 |
| 2 | GND | -- |
| No. | 信号名 | 方向 | 内容 | |
| 1 | V+ | → | +12Vを出力 | MPU,センサ系のボードの電源となる。 |
| 2 | GND | -- | GND | |
| 3 | Vcc | → | +5Vを出力 | |
| 4 | V- | → | -12Vを出力 | |
| No. | 信号名 | 方向 | 内容 |
| 1 | SWA | → | 勝敗判定装置からのデータを得る。 |
| 2 | SWB | ← | |
| 3 | Vsig | → | スタートから勝敗判定SWを押されるまで+5Vを出力。 |
| 4 | GND | -- |
| No. | 信号名 | 方向 | 内容 |
| 1 | OPEN | -- | 信号なし |
| 2 | Vsig | → | スタートから勝敗判定SWを押されるまで+5Vを出力。 |
| 3 | GND | -- |