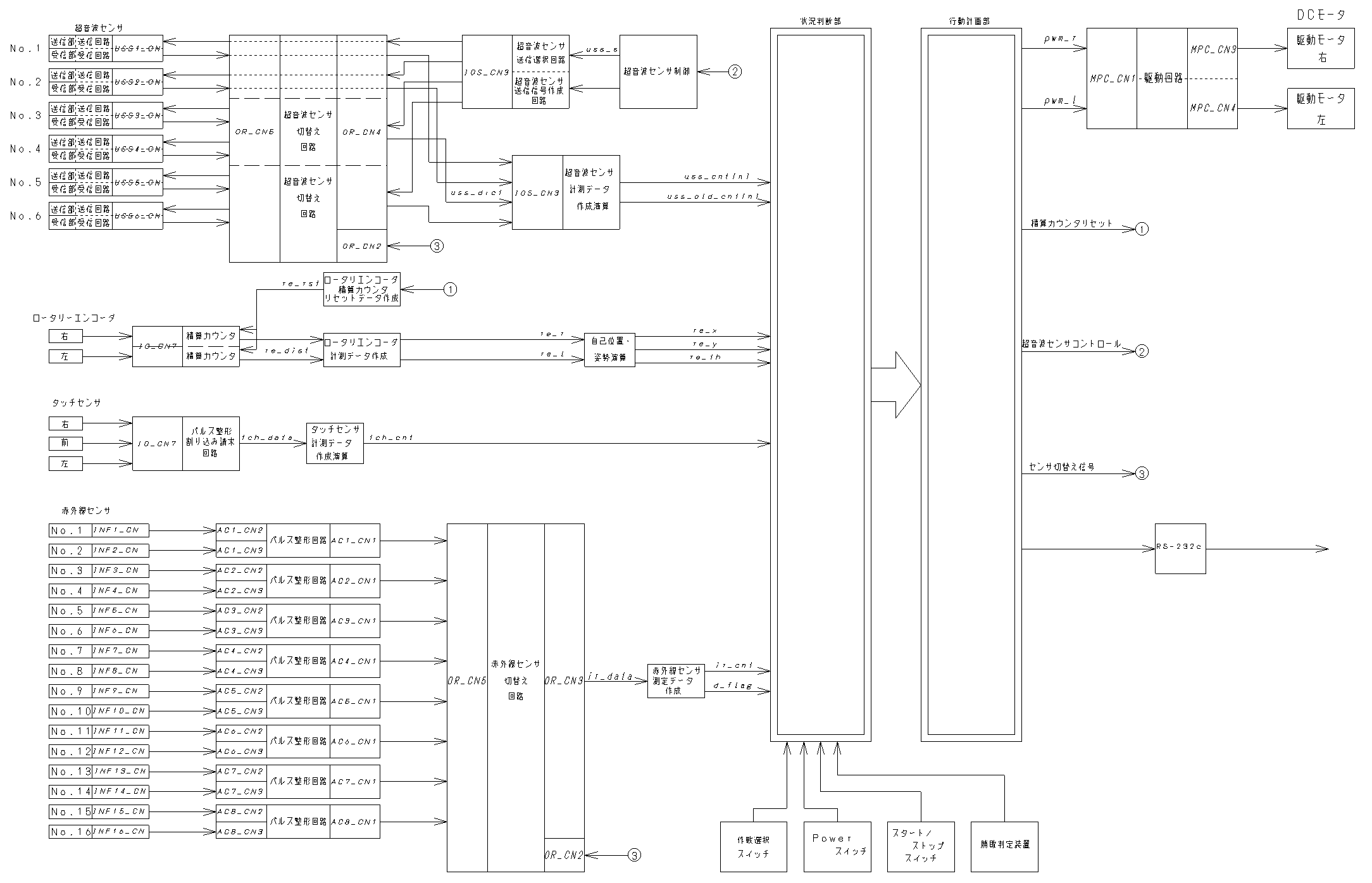
システム構造

センサブロック図

Written by Y.Fukasawa. 1998/05/11

←BACK !!