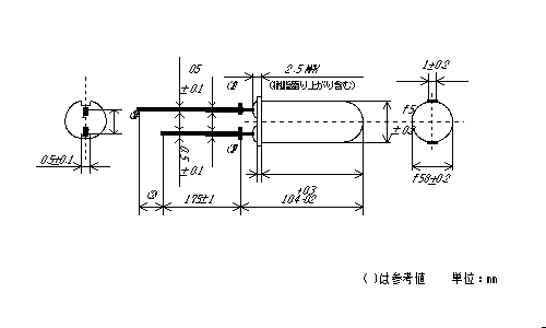
| <発光側> | 東芝発光LED | TLN105B |
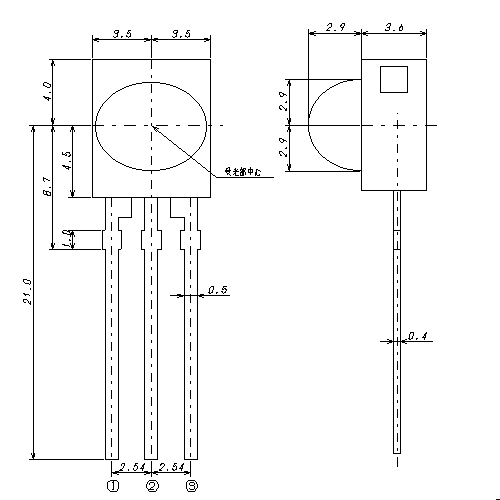
| <受光側> | SHARP | IS1U60 |
| 項目 | 記号 | 定格 | 単位 |
|---|---|---|---|
| 直流順電流 | IF | 100 | mA |
| 直流順電流低減率(Ta>25℃) | ΔIF/℃ | −1.33 | mA/℃ |
| パルス順電流 | IFP(注) | 1 | A |
| 直流逆電流 | VR | 5 | V |
| 許容損失 | PD | 150 | mW |
| 動作温度 | Topr | −20〜75 | ℃ |
| 保存温度 | Tstg | −30〜100 | ℃ |
| 項目 | 記号 | 測定条件 | 最小 | 標準 | 最大 | 単位 |
|---|---|---|---|---|---|---|
| 順電圧 | VF | IF=100mA | − | 1.35 | 1.5 | V |
| 逆電流 | IR | VR=5V | − | − | 10 | A |
| 放射強度 | IE | IF=50mA | 12 | 20 | − | mW/sr |
| 光出力 | PO | IF=50mA | − | 11 | − | mW |
| 端子間容量 | CT | VR=0、f=1MHz | − | 20 | − | pF |
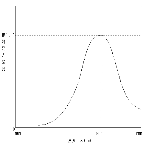
| ピーク間容量 | λP | IF=50mA | − | 950 | − | nm |
| スペクトル半値幅 | Δλ | IF=50mA | − | 50 | − | nm |
| 半値角 | θ1/2 | IF=50mA | − | ±23.5 | − | ° |
| 項目 | 記号 | 定格値 | 単位 |
|---|---|---|---|
| 電源電圧 | VCC | 0〜6.0 | V |
| 動作温度 | Topr | ※1 −10〜60 | ℃ |
| 保存温度 | Tstg | −20〜70 | ℃ |
| 半田温度 | Tsol | ※2 260 | ℃ |
| 項目 | 記号 | 動作条件 | 単位 |
|---|---|---|---|
| 電源電圧 | VCC | 4.7〜5.3 | V |
| 項目 | 記号 | 最小 | 標準 | 最大 | 単位 | 備考 |
|---|---|---|---|---|---|---|
| 消費電流 | ICC | − | 2.8 | 4.5 | mA | 入力光なし、出力端子OPEN |
| Hレベル出力電圧 | VOH | ICC−20 | − | − | V | ※3、出力端子OPEN |
| Lレベル出力電圧 | VOL | − | 0.45 | 0.6 | V | ※3、プルアップ抵抗2.2kΩ |
| Hレベルパルス幅 | T1 | 400 | − | 800 | μs | ※3 |
| Lレベルパルス幅 | T2 | 400 | − | 800 | μs | ※3 |
| B.P.F中心周波数 | f0 | − | 38 | − | kHz |


参考文献
Last Update : 1997.1.9
Dep. of Electoronics and Control Enginnering