| 沼津高専 電子制御工学科 | ||||||
| ||||||
| 改訂記録 | ||||||
|---|---|---|---|---|---|---|
| 版数 | 作成日 | 作成者 | 承認 | 改訂内容 | ||
| A01 | 2004.09.13 | 野村渡邉斎藤前田 | 前田 | 初版 | ||
| A02 | 2004.11.25 | 野村渡邉斎藤前田 | 前田 | 回路図の改訂 | ||

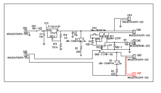
バッテリーからCN1,CN2に接続して電源入力をします。
CN3(MPCへ) 、CN7(AMCへ)
CN3、CN7からモーター駆動用電源である7.2Vを出力します。
CN4(ISAラックへ)
CN4から回路系電源5Vを出力します。
CN5(ドーターボードへ)
電源出力の動作状況を示すON/OFF信号を出力します。
CN6(非常停止スイッチ用コネクタ)
CN6の1,2ピン間にスイッチを接続することにより非常停止スイッチを追加することが出来ます。(1、2ピンが非道通になるとSTOP)
用途機能概要
インターフェイス
電源ボードのインターフェイスをここに示す。
No.
ピン名称
方向
内容
1
Vin
IN
+7.2V電源
2
GND
-
GND
No.
ピン名称
方向
内容
1
Vout
OUT
2
GND
-
GND
No.
ピン名称
方向
内容
1
Vcc
OUT
+5v
2
GND
-
GND
No.
ピン名称
方向
内容
1
open
open
2
Vsig
OUT
ON/OFF信号
3
GND
-
No.
ピン名称
方向
内容
1
swsig out
OUT
2
swsig in
IN
回路図

製造手順

Table.1 MIRS0402
電源ボード基板の部品表
番号
品名
商品名
数量
単位
備考
001
既存の電源ボード
不明
1
枚
CN7
コネクタ2pin
53259-0220(MOLEX)
1
個
002
ビニル線
不明
50
cm
ジャンパ用 コネクタについて

図. コネクタ形状
ピン.No
信号名
I/O
備考
1
Vin
-
+7.2V
2
GND
-
GND
アームボード(アームモータ)へ電源を供給するためのケーブルを接続するコネクタ。
関連文書